Raketenmodellbau.org Portal > Forum > Rund um Elektronik und Programmierung > Elektronik allgemein > Startgeräte > Baubericht T2-konformes Zündgerät
Du kannst keine neue Antwort schreiben
Seiten (3): « 1 2 [3]

Autor Thema 
Tom

Grand Master of Rocketry


Administrator

Tom

Registriert seit: Aug 2000

Wohnort: Neustadt

Verein: T2 , SOL-1

Beiträge: 5257

Status: Offline

Beitrag 127174 [Alter Beitrag19. August 2007 um 16:32]

[Melden] Profil von Tom anzeigen    Tom eine private Nachricht schicken   Besuche Tom's Homepage    Mehr Beiträge von Tom finden

Hi,

danke für die Kritik, es sind wirklich gute Überlegungen drin.
Will man jedoch alles umsetzen, dann wird das Zündgerät sehr komplex und vermutlich zweigeteilt.
Einen Hochstromkreis direkt mit Akku an der Rampe, einen Steuerkreis beim Starter.

Zur Verkabelung innerhalb von Fabians Zündgerät, denke ich nicht dass man unbedingt im Querschnitt auf die von Dir angeregte Größe gehen muss. Bei den kurzen Leitungslängen wird der Spannungsfall innerhalb der Zündbox auf den Leitungen unerheblich sein.

Jedes Zündgerät hat Vor und Nachteile, die ultimative Zündbox habe ich noch nicht gesehen wink
Viele Dinge kann man auch als "Religionsfrgae" ansehen. Manch einer nutzt lediglich eine Autobatterie mit entsprechenden Kontaketen. Auch nicht die schlechteste Lösung.

Die Frage mit dem Kurzschliessen der Zünderleitung ist mittlerweile auch fast zu einer Religionsfrage geworden.
Mein neues Zündgerät verzichtet mittlerweile auch auf die Kurzschlussbrücke in der Box. Der Zünder wird direkt am Modell kurzgeschlossen und erst kurz vor Start an den Leistungskreis angeschlossen.

Viele Wege führen nach Rom.

Vielleicht sollten wir einen neuen Thread aufmachen um fabians Baubericht nicht allzusehr zu strapazieren ?
Vielleicht hast Du ein paar Bilder , Informationen zu deiner Lösung ?

Gruß
Tom




Geändert von Tom am 19. August 2007 um 16:41

Lightning_Man

Raketenbauer

Registriert seit: Jul 2007

Wohnort: -----

Verein: -----

Beiträge: 176

Status: Offline

Beitrag 127183 [Alter Beitrag19. August 2007 um 17:22]

[Melden] Profil von Lightning_Man anzeigen    Lightning_Man eine private Nachricht schicken   Besuche Lightning_Man's Homepage    Mehr Beiträge von Lightning_Man finden

Hi Tom,

.
Zitat:
Will man jedoch alles umsetzen, dann wird das Zündgerät sehr komplex und vermutlich zweigeteilt.


Ja, das stimmt ;o)) Meins wird sogar 4 geteilt sein ;o)) Startrampe mit Akkus,
Messstation, Handheld Controlbox mit 240x128 LCD und ein kleines Mini-Handheld.
Das ganze wird über 4 Atmels ;o)) gesteuert.

Zitat:
Einen Hochstromkreis direkt mit Akku an der Rampe, einen Steuerkreis beim Starter.


Richtig. Für einfache (d.h. µ-proc -lose) Startgeräte reicht aber ein Akku aus. Der
Steuerstrom ist ja nicht hoch (<< 500mA). Das zweiteilen der Geschichte erlaubt
es einem dann auch relativ dünne Kabel zwischen Rampe und Startgerät zu verlegen.
Einfacher aufzurollen und zu verstauen. Die Entfernung spielt dabei fast keine Rolle
mehr

Zitat:
Zur Verkabelung innerhalb von Fabians Zündgerät, denke ich nicht dass man
unbedingt im Querschnitt auf die von Dir angeregte Größe gehen muss.


Rein von den Bildern her, würde ich sagen, es sind maximal 1mm² eher 0,75mm². In
meinen Augen zu wenig.

Zitat:
Bei den kurzen Leitungslängen wird der Spannungsfall innerhalb der Zündbox auf
den Leitungen unerheblich sein.


Vor allem weil wir hier von einem T2 Konformen Startgerät sprechen. D.h. es sind nochmal
40m Kabel (2x 20m) zwischen Akku und Zünder. Wie gesagt, ich will Fabians Design ja
nicht zerpflücken, sondern nur (hoffentlich ;o)) hilfreiche Tips geben embarrasment)

Zitat:
Jedes Zündgerät hat Vor und Nachteile, die ultimative Zündbox habe ich noch
nicht gesehen


;o)) Stimme ich Dir zu. Weiter unten ein paar links zu meinem geplanten Design.

Zitat:
Die Frage mit dem Kurzschliessen der Zünderleitung ist mittlerweile auch fast zu
einer Religionsfrage geworden.


Ja, ich weiß ;o)) Es ist wohl so ähnlich wie Parallel- vs Serienverdrahtung der
Zünder im Cluster (ich gehöre zu ersteren Gruppe ;ö))

Zitat:
Vielleicht hast Du ein paar Bilder , Informationen zu deiner Lösung ?


Ich bin seit 1975 im Raketenmodellbausport tätig. Davon fast 10 Jahre in USA. In
der Zeit habe ich schon einige Startgeräte gebastelt. Vom einfachen Akku mit
zwei Drähten (so wie Du es oben beschrieben hast ;o)) über mehrere, immer
komplexer werdender, Designs. Eine grobe Zusammenfassung meiner Geräte
habe ich hier beschrieben:

http://www.modellraketen-forum.de/board/messages/107/34574.html
(Mein Beitrag Nr. 33)

Z.Z bastele ich an einer "kann alles" Lösung:

http://www.modellraketen-forum.de/board/messages/321/35311.html?1179671633
(ein direkter Link zu meinem Beitrag geht leider nicht)

Mein Beiträge Nr: 95 und 105

Hier geht es um Zünderdaten:
http://www.modellraketen-forum.de/board/messages/107/34574.html?1175623415
(erster Beitrag auf der Seite ==> Mein Beitrag Nr.14 und auch Nr. 16 etwas weiter
unten und zum Schluß noch mein Beitrag Nr. 30 als Grundidee)

Ich bin noch weit davon entfernt es fertig zu haben, aber die Grundideen sind
schon so weit verankert. Das Hochstromschematic ist zu 90% fertig. Wenn
Interesse besteht, kann ich nach Fertigstellung hier im Forum mal einen
Link posten, wo man alle Daten, Pläne und Sourcecode runterladen kann.


P.S.: Hoffe es ist okay, daß ich hier Links von einem anderen Forum poste

Geändert von Lightning_Man am 19. August 2007 um 17:39


viele internette Grüße,

Reinhard

if nothing else helps, just add a couple of kilovolts smile)

L1
TRA #: 11857
FabianH

Grand Master of Rocketry


Supervisor

FabianH

Registriert seit: Okt 2003

Wohnort: Gevelsberg

Verein: Ramog, Solaris-RMB, FAR

Beiträge: 4123

Status: Offline

Beitrag 127194 [Alter Beitrag19. August 2007 um 17:49]

[Melden] Profil von FabianH anzeigen    FabianH eine private Nachricht schicken   Besuche FabianH's Homepage    Mehr Beiträge von FabianH finden

Ich habe ansich vor, mit dem Gerät vorerst nur SN0 zu zünden. Daher werde ich mit dem Leiterquerschnitt hinkommen. Taster und Schalter habe ich mir gestern gekauft, die Momentan verwendeten hatte ich halt noch da. Klar, es gibt immer Lösungen für jedes Problem, aber wie Tom schon sagt, ein zu komplexes Gerät wird kaum einer nachbauen, erst recht kein Elektronik Laie. Ich möchte ja auch zeigen, das ein T2-konformes Zündgerät relativ einfach zu bauen ist. Es ist ausreichend, günstig und funktioniert. Ich denke darauf kommt es im Enteffekt an. Wer weis, dass er Zünder verwendet, die sehr viel Strom benötigen, muss halt dickere Kabel, Schalter und Taster verwenden.

MfG Fabian
PS: hab gestern in der Westfalia-Filiale noch 3UM und 4UM-Schalter gesehen. Aber das Problem haben wir ja schon umgangen.
Lightning_Man

Raketenbauer

Registriert seit: Jul 2007

Wohnort: -----

Verein: -----

Beiträge: 176

Status: Offline

Beitrag 127214 [Alter Beitrag19. August 2007 um 18:35]

[Melden] Profil von Lightning_Man anzeigen    Lightning_Man eine private Nachricht schicken   Besuche Lightning_Man's Homepage    Mehr Beiträge von Lightning_Man finden

Hallo Fabian,

Zitat:
Original geschrieben von FabianH

Ich habe ansich vor, mit dem Gerät vorerst nur SN0 zu zünden. Daher werde ich mit dem Leiterquerschnitt hinkommen. Taster und Schalter habe ich mir gestern gekauft, die Momentan verwendeten hatte ich halt noch da. Klar, es gibt immer Lösungen für jedes Problem, aber wie Tom schon sagt, ein zu komplexes Gerät wird kaum einer nachbauen, erst recht kein Elektronik Laie. Ich möchte ja auch zeigen, das ein T2-konformes Zündgerät relativ einfach zu bauen ist. Es ist ausreichend, günstig und funktioniert. Ich denke darauf kommt es im Enteffekt an. Wer weis, dass er Zünder verwendet, die sehr viel Strom benötigen, muss halt dickere Kabel, Schalter und Taster verwenden.

MfG Fabian




Auch SN0 Zünder brauchen einen relativ hohen Strom. Eine normale
Blitzlichtbirne benötigt über 6A beim Zünden. Die SN0 tendenziell eher
mehr (10-12A). Das ist zwar der Spitzenstrom und nur für wenige mS,
aber nicht destotrotz können dabei die Kontake verschweissen. Du hast
keinerlei Möglichkeit den Zustand der Schalter und Taster zu überprüfen.
Deshalb mein Vorschlag es mittels Relais zu machen. Bei einem mehrfach
UM Relay sind die einzelnen Kontaktpaare mechanisch zusammengefaßt,
so daß ein Kontaktpaar einfach zur Überprüfung des "Gesundheitszustand"
des Relais genutzt werden kann.

Desweiteren benutzt Du Akkus. Wenn Du mal Lust hast, kannst Du ja
mal einen 1,5mm² quer über Deinen Akkus legen. Der Draht wird innerhalb
1 Sekunde weißglühend werden. Da gleiche passiert Dir auch wenn Du mal
einen Kurzschluß im Startgerät hast. D.h. Das Ding wird einfach abfackeln.
Es hat also nicht NUR mit dem Strom des Zünders zu tun ;o))

Wie gesagt, ich will Dich bzw. Dein Design in keinsterweise schlecht
machen, aber GERADE weil es T2 konform werden soll, versuche ich
Dir die Schwachpunkte aufzuzeigen. Es bleibt NATÜRLICH vollkommen
Dir überlassen, wie Du es im Endeffekt bauen wirst. fg

viele internette Grüße,

Reinhard

if nothing else helps, just add a couple of kilovolts smile)

L1
TRA #: 11857
morning

Raketenbauer

morning

Registriert seit: Feb 2003

Wohnort: Tawern

Verein: AGM, TRA#12037

Beiträge: 180

Status: Offline

Beitrag 127226 [Alter Beitrag19. August 2007 um 19:50]

[Melden] Profil von morning anzeigen    morning eine private Nachricht schicken   morning besitzt keine Homepage    Mehr Beiträge von morning finden

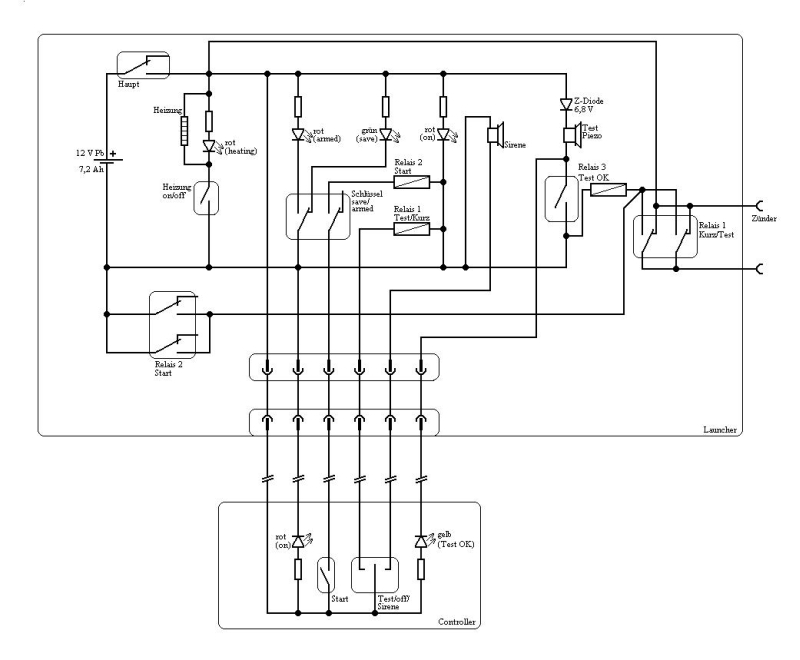
Servus,

da sich der Thread ja langsam neben dem eigendlichen Baubericht auch mit so
allerlei wissenswertem über Startgeräte füllt und auch schon verschiedene
Schaltpläne gepostet wurden bin ich einfach mal so frech und zeig euch auch mal
meine Version... big grin

Ist schon einige Jahre her dass ich mir das zusammen gebastelt hab- deshalb ist
der selbstgemalte Schaltplan auch nicht wirklich Industrie-Konform, sollte aber
trotzdem zu lesen sein.
Sämtliche Kabel welche Zündstrom führen sind 4qmm, die beiden zugehörigen
Relais sind 60A-typen 2xUM, wobei ich auch je beide Pfade parallel beschaltet hab.
Somit sollten sie kein Problem mit Verkleben bekommen...



Grüße,
Morning
Lightning_Man

Raketenbauer

Registriert seit: Jul 2007

Wohnort: -----

Verein: -----

Beiträge: 176

Status: Offline

Beitrag 127230 [Alter Beitrag19. August 2007 um 20:34]

[Melden] Profil von Lightning_Man anzeigen    Lightning_Man eine private Nachricht schicken   Besuche Lightning_Man's Homepage    Mehr Beiträge von Lightning_Man finden

Hi Morning,

Ja, gefällt mir schon ganz gut ;o)) Einzig der Hauptschalter wird
bei Dir mit dem vollen Startstrom belastet fg

>Relais sind 60A-typen 2xUM, wobei ich auch je beide Pfade parallel
>beschaltet hab. Somit sollten sie kein Problem mit Verkleben bekommen...


Doch ;o)) Und zwar wäre eine Serienschaltung der Kontakte besser
gewesen. Beim Parallelschalten genügt es, wenn sich ein Kontaktpaar
verschweißt ;o)) Bei der Serienschaltung hat man immer noch einen
Kontakt in Reihe. Der Fall, daß beide verschweissen, ist nahezu
undenkbar.

Da einzige was mir "mißfällt" (hoffentlich denkt ihr jetzt nicht, daß ich
nur Nörgeln kann big grin ), ist die Tatsache, daß Du den Arm / Safe Haupt-
schalter in der Box hast. D.h. im Gefahrenfall muß man sich zur Rampe
begeben.

Aber für was hast Du eine *HEIZUNG* in die Startbox eingebaut ???
Ist daß für den Grog bei den Winterstarts big grin

Kleine Anmerkung: Es heißt Armed / Safe (nicht saved). Saved heißt
entweder gerettet oder gespeichert, je nach Anwendungsfall fg

Geändert von Lightning_Man am 19. August 2007 um 20:39


viele internette Grüße,

Reinhard

if nothing else helps, just add a couple of kilovolts smile)

L1
TRA #: 11857
morning

Raketenbauer

morning

Registriert seit: Feb 2003

Wohnort: Tawern

Verein: AGM, TRA#12037

Beiträge: 180

Status: Offline

Beitrag 127242 [Alter Beitrag19. August 2007 um 21:01]

[Melden] Profil von morning anzeigen    morning eine private Nachricht schicken   morning besitzt keine Homepage    Mehr Beiträge von morning finden

Hi Reinhart,

jau, stimmt- der Hauptschalter muß da durch- aber er wird ja nicht mit Laststrom geschaltet und
übersteht das so ganz gut, macht normal 16A und steckt den Rest bisweilen gut weg
(auch Drahtcluster)...

Gedankengang hinter der Parallelschaltung der Relais war, das sich der Strom in
selbiger aufteilt und so die Kontakte nur die Hälfte der Last weckstecken müssen. angel

Was den Arm/Safe-Schalter angeht hast du schon recht, angenehmer wär's in der
Handbox. Aber weil die so klein is und der Munitionskasten noch so viel Platz geboten hat sitzt
er nun da. Im Normalfall passt das auch ganz gut, ist ja mehr dafür gedacht wenn die Box so im Feld rum steht
und jemand zu neugierig is. Wenn ich aktiv am fliegen bin hab ich ohnehin den Controller in der Hand
und es kann keiner rumspielen...

Grog ist nicht so meins, ich trink lieber Viez und der kann ruhig schön kalt sein... big grin
Aber die Idee gefällt mir, werd ich mir merken!

Ne, hatte ne 12W Heizfolie am Akku kleben das der auch an kalten Tagen genug Wumms hat.
Ist aber schon lang wieder rausgeflogen weil die Pb-Gels ja im Winter lang nicht so rum zicken
wie andere Akkus das drauf haben. Der Schalter is also nur'n Relikt- sieht aber besser aus
als 'n Loch big grin

Jaja, Safe wär richtig- aber ich war jung und wusst's nicht besser... *schäm*
Lightning_Man

Raketenbauer

Registriert seit: Jul 2007

Wohnort: -----

Verein: -----

Beiträge: 176

Status: Offline

Beitrag 127247 [Alter Beitrag19. August 2007 um 22:06]

[Melden] Profil von Lightning_Man anzeigen    Lightning_Man eine private Nachricht schicken   Besuche Lightning_Man's Homepage    Mehr Beiträge von Lightning_Man finden

Hi Morning,

>macht normal 16A und steckt den Rest bisweilen gut weg (auch Drahtcluster)...

Das sind eigentlich die Schlimmsten, da der hohe Strom über lange Zeit hinweg
anliegt

>Gedankengang hinter der Parallelschaltung der Relais war, das sich der
>Strom in selbiger aufteilt und so die Kontakte nur die Hälfte der Last weckstecken
> müssen. angel

Die Idee ist eigentlich nicht dumm, aber das Problem besteht in der
Mechanik fg Die Kontakte schliessen (einfach durch Toleranzen)
nicht 100% gleichzeitig und sie können auch Prellen. D.h. der erste
Stromschub wird von nur einem Kontaktpaar aufgenommen. Deshalb
bevorzuge ich die Serienverdrahtung. Selbst wenn ein Kontaktpaar
verschweißt, bleibt noch das zweite, welches den Stromkreis öffnen
kann.


>Ne, hatte ne 12W Heizfolie am Akku kleben das der auch an kalten
>Tagen genug Wumms hat.

So etwas in der Art hatte ich mir schon gedacht fg Das mit dem
Kommentar konnte ich mir einfach nicht verkneifen.

>Ist aber schon lang wieder rausgeflogen weil die Pb-Gels ja im Winter
>lang nicht so rum zicken

Stimmt Pb-Gel sind eigentlich für Startgeräte mit unter die besten
Akkus. Sie brauchen wenig Pflege, geringe Selbstentladungskurve
(viel kleiner als NiCd oder NimH), geben Strom ohne Ende und sind
(besonders im Vergleich zu LiPo's) einfach zu laden. Man sollte sie
allerdings nie voll entladen. Das geht auf die Lebensdauer. Am besten
sind so 20-30% Entladung (also bei 70-80% wieder aufladen). Da
halten die Dinger fast ewig. Mit 2.40-2.45V / Zelle einen FastCharge.
Nachdem der Strom auf ca 20-40mA abgefallen ist, auf TrickleCharge
(2.30-2.35V / Zelle) umschalten.


>Jaja, Safe wär richtig- aber ich war jung und wusst's nicht besser... *schäm*

Kein Thema fg Ist halt wie life und live fg Nur als gebürtiger Ami
fiel es mir halt sofort auf fg

viele internette Grüße,

Reinhard

if nothing else helps, just add a couple of kilovolts smile)

L1
TRA #: 11857
FabianH

Grand Master of Rocketry


Supervisor

FabianH

Registriert seit: Okt 2003

Wohnort: Gevelsberg

Verein: Ramog, Solaris-RMB, FAR

Beiträge: 4123

Status: Offline

Beitrag 129317 [Alter Beitrag26. September 2007 um 00:10]

[Melden] Profil von FabianH anzeigen    FabianH eine private Nachricht schicken   Besuche FabianH's Homepage    Mehr Beiträge von FabianH finden

So, ich habe nun mal die neue Frontplatte gemacht. Der Zündtaster ist auch neu und es ist alles neu verlötet mit etwas dickerem Lautsprcherkabel.

Die Frontplatte


Im gesicherten Zustand:


Im scharfen Zustand:


Scharf und Zünder ok:


Es funktioniert alles, habe grad mal nen SN0 verbraten.

MfG Fabian
Seiten (3): « 1 2 [3]
[Zurück zum Anfang]
Du kannst keine neue Antwort schreiben